
Заглушки с соединительным выступом фланцевые.
Заглушка – деталь, предназначенная для закрывания концевых отверстий в трубопроводах.
Заглушки точеные изготавливаются методом проточки изделия из литой заготовки.
Фланцевые заглушки с соединительным выступом изготавливаются из коррозионной стали и используются в трубопроводах атомных станций. Изделия данного вида эффективно используются в широком диапазоне температур до 300 градусов и при рабочем давлении до 2,5МПа.
Сборные стыковые соединения трубопроводов АС групп В и С согласно ПН AЭ Г-7-008-89 из коррозионностойкой стали аустенитного класса марок 08Х18Н10Т и 12Х18Н10Т на параметры:
Рраб< 2,2 МПа (22кгс/см2), t < 300°С.
ЗАГЛУШКИ ОСТ 34-10-428-90.
| Условное давление Ру , МПа (кгс/см2) | Рабочее давление Рраб, МПа (кгс/см2) для температуры рабочей среды, °С | |
| 200 | 300 | |
| 2,5(25,0) | 2,2(22,0) | 2,2(22,0) |
| 1,6(16,0) | 1,6(16,0) | 1,4(14,0) |
| 1,0(10,0) | 1,0(10,0) | 0,90(9,0) |
| 0,63(6,3) | 0,6(6,0) | 0,56(5,6) |
| 0,25(2,5) | 0,25(2,5) | 0,22(2,2) |
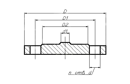
| Обозначение | Dу | D | D1 | D2 | d | d1 | n | Масса,кг | |
| по чертежу | по стандарту | ||||||||
| Ру 0,25 МПа (2,5 кгс/см2) | |||||||||
| БК-592401СБ | 01 ОСТ34-10-428-90 | 10 | 75 | 50 | 35 | 12 | 6 | 4 | 0,20 |
| -01 | 02 | 15 | 80 | 55 | 40 | 12 | 10 | 4 | 0,24 |
| -02 | 03 | 20 | 90 | 65 | 50 | 12 | 16 | 4 | 0,32 |
| -03 | 04 | 25 | 100 | 75 | 60 | 12 | 22 | 4 | 0,40 |
| -04 | 05 | 32 | 120 | 90 | 70 | 14 | 28 | 4 | 0,58 |
| -05 | 06 | 50 | 140 | 110 | 90 | 14 | 46 | 4 | 1,00 |
| -06 | 07 | 65 | 160 | 130 | 110 | 14 | 60 | 4 | 1,36 |
| -07 | 08 | 80 | 185 | 150 | 128 | 18 | 76 | 4 | 1,82 |
| -08 | 09 | 100 | 205 | 170 | 148 | 18 | 94 | 4 | 2,30 |
| -09 | 10 | 125 | 235 | 200 | 178 | 18 | 118 | 8 | 3,73 |
| -10 | 11 | 150 | 260 | 225 | 202 | 18 | 142 | 8 | 4,67 |
| -11 | 12 | 200 | 315 | 280 | 258 | 18 | 196 | 8 | 7,16 |
| -12 | 13 | 250 | 370 | 335 | 312 | 18 | 244 | 12 | 10,00 |
| -13 | 14 | 300 | 435 | 395 | 365 | 23 | 294 | 12 | 15,20 |
| -14 | 15 | 350 | 485 | 445 | 415 | 23 | 344 | 12 | 19,40 |
| -15 | 16 | 400 | 535 | 495 | 465 | 23 | 390 | 16 | 27,30 |
| -16 | 17 | 500 | 640 | 600 | 570 | 23 | 490 | 16 | 45,20 |
| -17 | 18 | 600 | 755 | 705 | 670 | 27 | 590 | 20 | 78,20 |
| -18 | 19 | 700 | 860 | 810 | 775 | 27 | 680 | 24 | 106,90 |
| -19 | 20 | 800 | 975 | 920 | 880 | 30 | 780 | 24 | 161,20 |
| -20 | 21 | 900 | 1075 | 1020 | 980 | 30 | 880 | 24 | 212,20 |
| -21 | 22 | 1000 | 1175 | 1120 | 1080 | 30 | 980 | 28 | 275,40 |
| -22 | 23 | 1200 | 1375 | 1320 | 1280 | 30 | 1180 | 32 | 404,10 |
| Ру 0,6 МПа (6 кгс/см2) | |||||||||
| -23 | 24 | 10 | 75 | 50 | 35 | 12 | 6 | 6 | 0,27 |
| -24 | 25 | 15 | 80 | 55 | 40 | 12 | 10 | 10 | 0,31 |
| -25 | 26 | 20 | 90 | 65 | 50 | 12 | 16 | 16 | 0,41 |
| -26 | 27 | 25 | 100 | 75 | 60 | 12 | 22 | 22 | 0,52 |
| -27 | 28 | 32 | 120 | 90 | 70 | 14 | 28 | 28 | 0,75 |
| -28 | 29 | 5 | 140 | 110 | 90 | 14 | 46 | 46 | 1,24 |
| -29 | 30 | 65 | 160 | 130 | 110 | 14 | 60 | 60 | 1,67 |
| -30 | 31 | 80 | 185 | 150 | 128 | 18 | 76 | 76 | 2,23 |
| -31 | 32 | 100 | 205 | 170 | 148 | 18 | 94 | 94 | 2,81 |
| -32 | 33 | 125 | 235 | 200 | 178 | 18 | 118 | 118 | 4,38 |
| -33 | 34 | 150 | 260 | 225 | 202 | 18 | 142 | 142 | 5,48 |
| -34 | 35 | 200 | 315 | 280 | 258 | 18 | 196 | 196 | 8,36 |
| -35 | 36 | 250 | 370 | 335 | 312 | 18 | 244 | 244 | 11,70 |
| -36 | 37 | 300 | 435 | 395 | 365 | 23 | 294 | 294 | 17,50 |
| -37 | 38 | 350 | 485 | 445 | 415 | 23 | 344 | 344 | 25,10 |
| -38 | 39 | 400 | 535 | 495 | 465 | 23 | 390 | 390 | 34,30 |
| -39 | 40 | 500 | 640 | 600 | 570 | 23 | 490 | 490 | 60,20 |
| -40 | 41 | 600 | 755 | 705 | 670 | 27 | 590 | 590 | 95,50 |
| -41 | 42 | 700 | 860 | 810 | 775 | 27 | 680 | 680 | 152,00 |
| -42 | 43 | 800 | 975 | 920 | 880 | 30 | 780 | 780 | 219,20 |
| (-43) | 44 | 900 | 1075 | 1020 | 980 | 30 | 880 | 880 | 304,20 |
| (-44) | 45 | 1000 | 1175 | 1120 | 1080 | 30 | 980 | 980 | 390,50 |
| (-45) | 46 | 1200 | 1400 | 1340 | 1295 | 33 | 1180 | 1180 | 700,20 |
| Ру 1,0 МПа (10 кгс/см2) | |||||||||
| -46 | 47 | 10 | 90 | 60 | 40 | 14 | 6 | 4 | 0,39 |
| -47 | 48 | 15 | 95 | 65 | 45 | 14 | 10 | 4 | 0,44 |
| -48 | 49 | 20 | 105 | 75 | 58 | 14 | 16 | 4 | 0,56 |
| -49 | 50 | 25 | 115 | 85 | 68 | 14 | 22 | 4 | 0,69 |
| -50 | 51 | 32 | 135 | 100 | 78 | 18 | 28 | 4 | 0,93 |
| -51 | 52 | 50 | 160 | 125 | 102 | 18 | 46 | 4 | 1,59 |
| -52 | 53 | 65 | 180 | 145 | 122 | 18 | 60 | 4 | 2,07 |
| -53 | 54 | 80 | 195 | 160 | 138 | 18 | 76 | 4 | 2,49 |
| -54 | 55 | 100 | 215 | 180 | 158 | 18 | 94 | 8 | 3,03 |
| -55 | 56 | 125 | 245 | 210 | 188 | 18 | 118 | 8 | 4,78 |
| -56 | 57 | 150 | 280 | 240 | 212 | 23 | 142 | 8 | 6,19 |
| -57 | 58 | 200 | 335 | 295 | 268 | 23 | 196 | 8 | 10,60 |
| -58 | 59 | 250 | 390 | 350 | 320 | 23 | 244 | 12 | 16,30 |
| -59 | 60 | 300 | 440 | 400 | 370 | 23 | 294 | 12 | 26,10 |
| -60 | 61 | 350 | 500 | 460 | 430 | 23 | 344 | 16 | 35,50 |
| -61 | 62 | 400 | 565 | 515 | 482 | 27 | 390 | 16 | 52,80 |
| -62 | 63 | 500 | 670 | 620 | 585 | 27 | 490 | 20 | 91,70 |
| -63 | 64 | 600 | 780 | 725 | 685 | 30 | 590 | 20 | 137,60 |
| (-64) | 65 | 700 | 895 | 840 | 800 | 30 | 680 | 24 | 221,30 |
| (-65) | 66 | 800 | 1010 | 950 | 905 | 33 | 780 | 24 | 295,20 |
| (-66) | 67 | 900 | 1110 | 1050 | 1005 | 33 | 880 | 28 | 433,50 |
| (-67) | 68 | 1000 | 1220 | 1160 | 1110 | 33 | 980 | 28 | 572,20 |
| Ру 1,6 МПа (1,6 кгс/см2) | |||||||||
| -68 | 69 | 10 | 90 | 60 | 40 | 14 | 6 | 4 | 0,39 |
| -69 | 70 | 15 | 95 | 65 | 45 | 14 | 10 | 4 | 0,44 |
| -70 | 71 | 20 | 105 | 75 | 58 | 14 | 16 | 4 | 0,56 |
| -71 | 72 | 25 | 115 | 85 | 68 | 14 | 22 | 4 | 0,69 |
| -72 | 73 | 32 | 135 | 100 | 78 | 18 | 28 | 4 | 0,93 |
| -73 | 74 | 50 | 160 | 125 | 102 | 18 | 46 | 4 | 1,59 |
| -74 | 75 | 65 | 180 | 145 | 122 | 18 | 60 | 4 | 2,07 |
| -75 | 76 | 80 | 195 | 160 | 138 | 18 | 76 | 4 | 2,49 |
| -76 | 77 | 100 | 215 | 180 | 158 | 18 | 94 | 8 | 3,57 |
| -77 | 78 | 125 | 245 | 210 | 188 | 18 | 118 | 8 | 4,78 |
| -78 | 79 | 150 | 280 | 240 | 212 | 23 | 142 | 8 | 7,11 |
| -79 | 80 | 200 | 335 | 295 | 268 | 23 | 196 | 12 | 13,10 |
| -80 | 81 | 250 | 405 | 355 | 320 | 27 | 244 | 12 | 23,00 |
| -81 | 82 | 300 | 460 | 410 | 378 | 27 | 294 | 12 | 34,30 |
| -82 | 83 | 350 | 520 | 470 | 438 | 27 | 344 | 16 | 50,60 |
| -83 | 84 | 400 | 580 | 525 | 490 | 30 | 390 | 16 | 71,20 |
| (-84) | 85 | 500 | 710 | 650 | 610 | 33 | 490 | 20 | 128,20 |
| (-85) | 86 | 600 | 840 | 770 | 720 | 40 | 590 | 20 | 218,30 |
| (-86) | 87 | 700 | 910 | 840 | 790 | 40 | 680 | 24 | 282,50 |
| (-87) | 88 | 800 | 1020 | 950 | 900 | 40 | 780 | 24 | 390,80 |
| Ру 2,5 МПа (25 кгс/см2) | |||||||||
| БК-592402СБ | 89 | 10 | 90 | 60 | 40 | 14 | 6 | 4 | 0,39 |
| -01 | 90 | 15 | 95 | 65 | 45 | 14 | 10 | 4 | 0,44 |
| -02 | 91 | 20 | 105 | 75 | 58 | 14 | 16 | 4 | 0,56 |
| -03 | 92 | 25 | 115 | 85 | 68 | 14 | 22 | 4 | 0,69 |
| -04 | 93 | 32 | 135 | 100 | 78 | 18 | 28 | 4 | 0,93 |
| -05 | 94 | 50 | 160 | 125 | 102 | 18 | 46 | 4 | 1,59 |
| -06 | 95 | 65 | 180 | 145 | 122 | 18 | 60 | 8 | 2,37 |
| -07 | 96 | 80 | 195 | 160 | 138 | 18 | 76 | 8 | 3,30 |
| -08 | 97 | 100 | 230 | 190 | 162 | 23 | 94 | 8 | 5,16 |
| -09 | 98 | 125 | 270 | 220 | 188 | 27 | 118 | 8 | 7,95 |
| -10 | 99 | 150 | 300 | 250 | 218 | 27 | 142 | 8 | 11,70 |
| -11 | 100 | 200 | 360 | 310 | 278 | 27 | 196 | 12 | 19,30 |
| -12 | 101 | 250 | 425 | 370 | 335 | 30 | 244 | 12 | 33,60 |
| -13 | 102 | 300 | 485 | 430 | 390 | 30 | 294 | 16 | 48,20 |
| (-14) | 103 | 350 | 550 | 490 | 450 | 33 | 344 | 16 | 74,90 |
| (-15) | 104 | 400 | 610 | 550 | 505 | 33 | 390 | 16 | 100,00 |
| (-16) | 105 | 500 | 730 | 660 | 615 | 40 | 490 | 20 | 179,70 |
| (-17) | 106 | 600 | 840 | 770 | 720 | 40 | 590 | 20 | 197,30 |
Задайте свой вопрос здесь